Open Nav
销售热线:020-86381
018
13632294777
全部商品
深沟球轴承
推力球轴承
调心球轴承
关节轴承
角接触球轴承
圆柱滚子轴承
圆锥滚子轴承
外球面球轴承
调心滚子轴承
推力滚子轴承
滚轮轴承
滚针轴承
CARB圆环滚子轴承
轴承附件
精机丝杆
导轨滑块
不锈钢轴承
高精密陶瓷球轴承
直线轴承
自润滑轴承
真空泵专用轴承
光轴定制
陶瓷轴承
塑料轴承
电磁阀
自动开关
SMC气缸
调压器
SMC
首页
商品分类
深沟球轴承
调心滚子轴承
圆柱滚子轴承
调心球轴承
角接触球轴承
圆锥滚子轴承
推力滚子轴承
推力球轴承
滚轮轴承
滚针轴承
关节轴承
外球面球轴承
CARB圆环滚子轴承
轴承附件
精机丝杆
导轨滑块
不锈钢轴承
高精密陶瓷球轴承
直线轴承
自润滑轴承
真空泵专用轴承
光轴定制
陶瓷轴承
塑料轴承
电磁阀
自动开关
SMC气缸
调压器
SMC
代理品牌
品牌轴承
FAG进口轴承
SKF 进口轴承
NSK进口轴承
NACHI进口轴承
IKO进口轴承
日本ASAHI轴承
日本THK导轨滑块
NMB进口轴承
KOYO进口轴承
NTN进口轴承
HIWIN滑块
TIMKEN进口轴承
SNR 进口轴承
INA进口轴承
美国THOMSON轴承
台湾TPI轴承
美国 MCGILL轴承
ZWZ轴承
LYC轴承
东莞TR轴承
BARDEN轴承
TSUBAKI轴承
SMC
型号查询
深沟球轴承
调心滚子轴承
圆柱滚子轴承
调心球轴承
角接触球轴承
圆锥滚子轴承
推力滚子轴承
推力球轴承
滚轮轴承
滚针轴承
关节轴承
外球面球轴承
CARB圆环滚子轴承
轴承附件
精机丝杆
导轨滑块
不锈钢轴承
高精密陶瓷球轴承
直线轴承
自润滑轴承
真空泵专用轴承
光轴定制
陶瓷轴承
塑料轴承
电磁阀
自动开关
SMC气缸
调压器
SMC
公司简介
联系我们
技术资讯
首页
商品分类
角接触球轴承
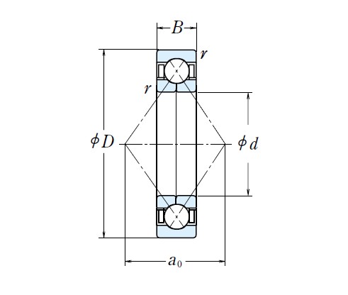
QJ1017
型号:QJ1017
品牌:NSK进口轴承
系列:角接触球轴承
内径(d):85mm
外径(D):130mm
厚度(B):22mm
所属类别:
角接触球轴承
加入购物车
咨询与报价
详细介绍
样本图片
Tags:
四点角接触球轴承
TOP
首页
商品分类
品牌轴承
电话咨询
QQ咨询